无障碍阅读
个人中心
适老化模式
搜索
首 页
要 闻
领 导
政府信息公开
办事服务
互 动
县 情
智能小掖
甘快办
收藏
订阅
温馨提示:
收藏、订阅需先登录,系统检测到您未登录,请点击“确认”将为您跳转到登录页面。
确认
您的位置:
首页>>政府信息公开>>法定主动公开内容>>基层政务公开>>市政服务
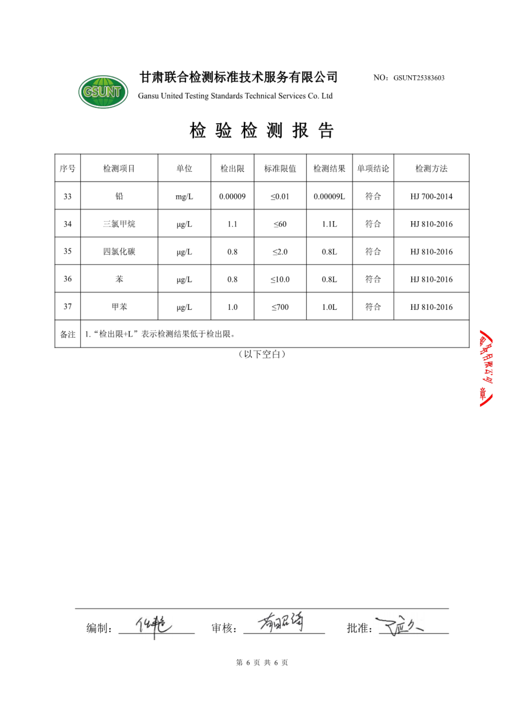
高台县城区饮用水2025年9月份水质(水源水)检测报告
字体:【
大
中
小
】
打印
索引号
620724009/2025-00185
文号
关键词
发布机构
高台县住房和城乡建设局
公开形式
主动公开
责任部门
高台县住房和城乡建设局
生成日期
2025-10-16 11:21:47
是否有效
是
扫一扫在手机打开当前页
【关闭窗口】